Как изготовить ее самостоятельно?
Изготовление клетки достаточно простое занятие, не требует особых дорогих материалов, специального инструмента и квалификации. Устройство тоже незамысловатое. В основе лежит каркас, чертеж которого представлен в нашей фотогалерее. Его можно сделать из деревянных брусьев 40х40 мм, но дерево не очень долговечно к тому же способно впитывать запахи, грязь, влагу и т. д. Поэтому по возможности лучше сделать его из металлического профиля для гипсокартона или арматуры.
Инструменты и материалы
- Деревянный брус 40х40 или металлический профиль UD 27/28/4000;
- Гвозди (клепки для профиля);
- Лист жести для поддонов;
- Оцинковка или нержавейка для сооружения кормушек и поилок;
- Сетка с размером ячейки 125х25 мм или 25х50 мм для пола, стен и потолка;
- Сетка 50х50 мм или проволока для передней стенки;
- Щеколды для дверец;
- Ножовка, молоток, напильник;
- Пассатижи (для работы с сеткой).
Птицы в самодельной клетке
Пошаговая инструкция
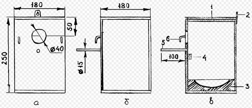
Для начала нужно подготовить каркас. Он должен быть устойчивым, иметь дополнительные ребра жесткости по дну каждой клетки и по стенкам. Ножки можно поставить жестко или установить на колесики для удобства транспортировки клеточной батареи или уборки под ней.
Изготовление пола
Выполняем горизонтальные полки
Обратите внимание на то, что на чертеже одна поперечная полка прямая, а одна – под наклоном в 7-9 градусов. Прямая предназначена для установки поддона, наклонная – это пол, по которому будут скатываться яйца в яйцесборники. Наклонная полка должна выступать на 10-15 см вперед
Размер зазора между прямой и наклонной полкой должен быть 10-12 см, чтобы без труда поместить туда поддон для помета
Наклонная полка должна выступать на 10-15 см вперед. Размер зазора между прямой и наклонной полкой должен быть 10-12 см, чтобы без труда поместить туда поддон для помета.
Далее нужно загнуть край наклонной полки так, чтобы получился желоб. В эти желоба будут скатываться яйца. Его глубина должна быть такой, чтобы яйцо не выкатывалось и не падало на пол. Сам яйцесборник должен находиться на таком расстоянии, чтобы курица его не достала. Края яйцесборника лучше обогнуть листом жестки для безопасности, а торцы желоба стоит закрыть.
Чертеж самодельной конструкции с размерами
После того как полы готовы, можно приступать к устройству внешних стен и перегородок. Крайне не рекомендуется делать стенки глухими, это ухудшит вентиляцию и санитарные условия содержания. Стенки и перегородки между отдельными клетками выполняются из сетки при помощи пассатижей и металлических заклепок. Сетку можно также собрать сварочным аппаратом.
Сооружение передней стенки
Передняя стенка клетки является самой сложной в сборке. Во-первых, на ней располагаются кормушки и вода, во-вторых, куры должны иметь свободный доступ к зерну, а в третьих, именно передняя стенка играет роль дверцы. Существует несколько вариантов, как сделать переднюю стенку.
- Если клетка неширокая, вся передняя стенка – это дверца. Ее можно построить из сетки, повесить на петли и прикрутить щеколду. Сетка при этом должна быть крупной, чтобы курица могла без труда получить доступ к еде.
- Если клетка широкая, переднюю стенку делают цельной из сетки или проволоки, выделяя место по центру для дверцы.
- Если расстояние между ярусами достаточное, доставать и вынимать птицу можно через потолок. Его изготавливают из сетки, укладывают на клетку и фиксируют съемными защелками.
Птицы в клетках с яйцесборником
Поилки, кормушки и прочее
Поилки и кормушки сгибают из оцинкованного листа или нержавейки и навешивают на передние дверцы. Вместо поилки можно установить ниппельные устройства с небольшими чашечками, это более удобный и безопасный вариант. Из жести по чертежам изготавливают и устанавливают поддоны. Они должны быть достаточно удобными для чистки, выдерживать частые мойки и дезинфекции. Если клетки планируется на лето выносить на улицу, можно организовать крышу из шифера, брезента или остатков линолеума.
Размеры клетки для канареек
Следующий вопрос, который следует прояснить: каких габаритов нужен домик для птицы. При одиночном содержании клетка для канарейки должна иметь площадь 20х35 см, а высоту – 25. Если вы помещаете в одну «комнату» самку с самочкой (для разведения) размеры увеличиваются до 25х60х30 соответственно. Птенцам нужна «полетная» клетка с длиной в 120 см, а высотой и шириной – в 50.
Любая соответствующая клетка для птицы канарейки может больше, но ни в коем случае не меньше. Недостаток пространства может привести к тому, что ваш питомец будет плохо развиваться, а то и покалечится, пытаясь полетать.

Выбор материалов
Клетки для курочек могут быть изготовлены из следующих материалов:
- Деревянного бруса. Наиболее простой конструкцией, которую можно собрать в домашних условиях, считается деревянная. Из бруса подходящего размера нужно вырезать каркас, а далее зафиксировать на его передней стенке с большими ячейками металлическую сетку. Закрыть клетку можно листом фанеры или листовым железом. Заднюю стенку лучше изготовить из фанеры, но желательно, чтобы она была сетчатой для хорошего воздухообмена. Такие конструкции лучше делать небольшими, иначе они не будут достаточно прочными. В связи с этим такой вариант не подходит при установке клеток ярусами.
- Металлического профиля. Конструкции из такого материала считаются более надежными. Их каркас нужно сварить, а затем закрепить к нему сетку. В качестве сетки стоит использовать оцинкованное железо. Готовая клетка будет долговечной и гигиеничной, поскольку металл не подвергается гниению и не боится плесени. Нужно учитывать, что такие конструкции являются неразборными, поэтому каркас нужно сразу изготавливать в расчете на сооружение нескольких секций.
Крепление, как и чем крепить
Конструкция клетки из сварной сетки с деревянным каркасом.
Независимо от типа используемой сетки процесс производства клетки включает несколько этапов:
- В первую очередь собирается каркас, он выполняется из деревянных брусков или металлических уголков. Крепление может осуществляться гвоздями, саморезами или сваркой.
- Нарезанная (болгаркой или ножницами по металлу) на фрагменты нужного размера сетка крепится к каркасу с помощью саморезов.
- Между собой сетчатые полотна фиксируются скобами или клипсами, возможно использование проволоки, но такое решение не совсем безопасно для животных.
- Пол формируется из деревянных реек или мелкоячеистых полотен. Во втором случае дно все равно необходимо укрепить элементами из бруса.
- Перегородка (при необходимости) также крепится скобами или клипсами.
- Из бруса или реек сделать двери, прикрепить навесы и шпингалеты.
- Крыша выполняется из фанеры, металла или сетки. В зависимости от материала каркаса и крыши существует возможность выполнить сборку с помощью саморезов или посредством применения технологии сварки.
- Поддон выполняется из оцинкованного листа и крепится саморезами.
- Кормушка и поилка фиксируется скобами.
- Все соединения должны быть прочными, конструкция не должна иметь выступов, острых углов, выступающих деталей.
Для крепления сетки к столбам при строительстве вольеров и загонов используется вязальная проволока, крючки, технология сварки. Для укрепления рабицы следует использовать продольные ребра жесткости, исключающие провисание полотна. Альтернативой рабице для возведения ограждений различного назначения, в том числе и в сельском хозяйстве, служит сетка Манье (шестигранная).
Уход за клеткой
К восстановлению эстетичного вида клетки способом покраски надо относиться очень осторожно по причине наличия токсичных веществ в большинстве красках. Если у хозяев возникнет желание немного обновить домик канарейки, то допускается покраска наружной поверхности, но без применения краски со свинцовыми белилами
Условия содержания нельзя считать полноценными, если в домике канарейки не разместить четыре емкости, в которых соответственно будет находиться питьевая вода, зерно, витаминизированная пища (например, зелень) и песок.

Тем, у кого в силу уважительных причин не получается своевременно покормить и напоить питомцев, следует обратить внимание на автоматические кормушки и поилки. Эти приспособления призваны «следить» за тем, чтобы в емкостях постоянно присутствовали зерно и вода
В зависимости одна автокормушка и автопоилка способны обеспечить потребности канарейки в зерне и воде от 2-х до 3-х суток без участия человека.
Создание гнездового домика

Своими руками можно сделать гнездо для кореллы, подходящее для разведения птиц. Такое гнездышко подходит для разведения птиц. Чтобы попугаи откладывали яйца, нужно создать для них идеальные условия.
Форма
Гнездовой домик может быть разной формы, как вертикальный, так и горизонтальный
Важно, чтобы он соответствовал следующим условиям:
- В домик свободно помещаются несколько птиц. Его хватит для попугая и кладки яиц, а также для вылупившихся детенышей.
- В днище проделано небольшое углубление. Оно позволяет яйцам в кладке не перемещаться.
- Сверху есть дверца или крыша снимается. Это нужно для уборки.

Размеры
Гнездо должно быть вместительным и просторным. Для вертикального домика оптимальны следующие размеры: 25 длина, 25 ширина, 30 высота. Для горизонтального домика нужны следующие габариты: 30*30*40 см.

Горизонтальный считается самым удобным и комфортным для птиц.
Материалы
В качестве материала можно использовать картон или дерево. Бумажный домик сооружается быстро, однако он недолговечен. Орнитологи рекомендуют использовать картонное гнездо только в случае крайней необходимости, в случае временного жилья птиц.
Чертежи
Чертеж небольшого домика для гнездовья птиц. Оборудован открывающейся крышей, дверцей-отверстием и небольшой жердочкой.

Более подробный чертеж гнезда с указанными размерами. Указанные параметры подходят для крупных корелл.

Пошаговая сборка
- Распилите фанеру на 6 частей: 4 стенки, крыша и дно.
- В стенке вырежьте небольшое отверстие диаметром в 8 сантиметров. Под ним сделайте отверстие для жердочки.
- Скрепите стенки и пол саморезами.
- Из пенопласта сделайте небольшое гнездо и поставьте его на дно домика.
- Прикрепите крышу на петли.
- Установите крючочки для крепления домика.
- Сделайте жердочку для дверцы.
- Засыпьте дно опилками.

Дезинфекция и монтаж
Для дезинфекции нужно ошпарить домик крутым кипятком с дезинфицирующим средством. После этого хорошо высушите фанеру на солнце. Ставить мокрое гнездо не стоит, иначе материал начнет гнить.
Не рекомендуется использовать токсичные дезинфицирующие средства. Они могут быть опасны для птиц.
Предыдущая
КореллаВсе болезни попугаев породы Корелла
Следующая
КореллаПриручение, уход и содержание попугая корелла
Типы оперативного вмешательства
В России практикуется два типа холецистэктомии:
- Лапароскопическая — все манипуляции проводятся через небольшие проколы с помощью эндоскопического оборудования. В настоящее время эта технология является золотым стандартом при проведении плановых вмешательств в отсутствии выраженного воспаления и спаек.
- Лапаротомическая, или традиционная открытая. Проводится при спаечном процессе и выраженном воспалении.
Рассмотрим каждую из методик подробнее.
Лапароскопическая холецистэктомия
Техника данной операции заключается в выполнении на брюшной стенке 3-4 проколов, через которые в брюшную полость вводят полые трубки (троакары), а через них инструменты — видеокамеру, манипуляторы, зажимы, электроды и др. Современные видеокамеры позволяют получать высококачественное детализированное увеличенное изображение, которое транслируется на монитор. Это позволяет получить визуализацию, лучше, чем при открытых полостных операциях.
Для того, чтобы был достаточный обзор и пространство для манипуляций, брюшную полость расширяют с помощью газа. Его инсуффляция (накачивание) осуществляется на всем протяжении операции через отдельный троакар. Далее выделяют желчный пузырь и его структуры. Перевязывают его артерию, шейку, пузырь отсекают и извлекают через один из троакаров. После этого проводят ревизию, отсасывают газ и извлекают трубки. В рану устанавливается дренаж, проколы ушиваются и заклеиваются стерильным пластырем и повязкой.
Преимущества лапароскопической операции:
- Очень низкий риск травматизации брюшной стенки.
- Послеоперационный болевой синдром практически отсутствует.
- Очень быстрое восстановление и малый срок пребывания в стационаре.
Традиционная холецистэктомия
Такая операция (лапаротомическая холецистэктомия) выполняется через разрез в области правого подреберья или по срединной линии живота. Она обеспечивает хороший доступ ко всей гепатобилиарной системе — внепеченочным протокам, поджелудочной железе, двенадцатиперстной кишке. Это позволяет произвести все виды ревизии — от зондирования протоков и интраоперационного УЗИ до холедохоскопии. Чаще всего такие операции проводят при серьезных воспалительных процессах, в частности, при перитонитах и абсцессах.
Бывают ситуации, когда изначально планируется лапароскопическая операция, но в процессе ее выполнения хирурги видят серьезные осложнения и вынуждены переходить на открытый доступ. Такая ситуация называется конверсией.
Как правильно обустроить жилище для попугая?
В жилище пернатого размещают всё необходимое для птицы:
- Отдельные кормушки для сухого и сочного кормов, витаминов. Сухой корм (зерна, гранулы) должен присутствовать всегда, фрукты и овощи подкладывают 2–3 раза в день.
- Поилка должна быть обязательно автоматической, чтобы вода не загрязнялась. Её покупают готовую или делают самостоятельно.
- Насесты диаметром 15 мм для отдыха и чтобы принимать пищу, возле кормушек. Дерево не нужно полировать, шероховатость птице нужна для крепкого захвата.
- Игрушек должно быть много, но они не должны мешать пернатому хозяину жилища перемещаться по своей квартирке.
- Ёмкость для купания. Попугаи с удовольствием плескаются, особенно в жару. В качестве бассейна используют металлическую глубокую чашку, которую хорошо фиксируют.
- Минеральный (меловой) камень. Когда пернатый его сгрызёт, подкладывают новый. При недостатке кальция в организме питомца, начинают расслаиваться клюв, когти, слабеют суставы.

Иногда попугаи приносят в своё жилище «сокровища»: вещи, которые им понравились во время прогулки по квартире. Чаще это случается, когда у попугая мало игрушек, ему уделяют недостаточно внимания.
Шкаф для кукол из картона
Перед тем, как размечать контур будущего шифоньера, уточните у ребёнка, какой кукле будет предназначаться мебель. Отталкиваясь от этих данных подберите размеры.
Например, сделаем гардероб для Барби. Его высота будет 28 см, ширина 26 см, а глубина 7 см.
В шкафу два отделения. В отсеке с одной створкой будет ещё три полочки.
Однако, с внутренним убранством в шкафу можно экспериментировать.
- Вам потребуется большой кусок картона, например, коробка из пиццерии или обувная. И канцелярский нож.
- Вырежьте две одинаковые детали, которые будут верхом и полом шифоньера.
- Затем сделайте боковые части, соответствующие верхней и нижней.
- Отметьте места для сгибов. На них оставьте припуски по пол сантиметра для того, чтобы аккуратнее склеивать элементы друг с другом.
- На местах сгибов сделайте сквозные надрезы и согните по ним шкаф.
- Склейте между собой верх, низ и боковые части шкафа.
- Вырежьте 3 дверки. Для определения размеров нужно выяснить периметр сквозного отверстия в первом и втором отсеке.
- Дверки можно приклеить, но тогда они не будут поворачиваться. Поэтому рекомендуется посадить их на специальные шарниры.
- Еще раз проклейте детали по местам стыков.
- После высыхания шкаф можно покрыть акриловой краской и слоем лака для придания ему законченного вида.
- Далее следуют декоративные работы. Вы можете сделать ручки, внутри разместить палочки (для вешалок), просто приклеив их к противоположным частям отсека.
- Снаружи можно украсить шифоньер наклейками.
Можно ли самому смастерить птичий домик?
Клетки для канареек своими руками должны быть также изготовлены из качественных материалов. С этим напрямую связаны как здоровье канарейки, так и ее безопасность. В вопросе выбора материала отдается предпочтение древесине, поскольку она является экологически чистой. Прутики тоже желательно изготовить из дерева. Это будет более гигиенично, чем проволочная оснастка. Для изготовления деревянных прутиков нарезают лучики, которые протаскиваются через круглый волочильный глазок. Еще лучше будет, если сделать это с помощью конической стальной трубки, которая остро заточена.
Домик из лозы
Очень аутентично выглядят клетки для канареек, своими руками сплетенные из ивовых веток. Для подобного жилища понадобятся 45 деревянных стоек в 45 см и 24 дополнительные, длиной в 37, дюжина лозин 19 сантиметров, столько же прутьев, но уже длиной в 65 (из них будет сделана крышка), и переплетные прутики потоньше.
Первым шагом будет изготовление основы-крестовины с диаметром в 17 см. Она оплетается тонкими заготовками методом скручивания. Через три ряда они делятся парами, в девятом разделяются по отдельности. Затем стойки заостряются и втыкаются в каркас, который изгибается и фиксируется вверху.
Начинается оплетка: семь рядов в стиле «веревка», четыре – длинным прутиком, один – опять веревкой и еще один скручиванием.
Далее делается отступ в 7 см и возобновляется плетение «веревочкой». Через три ряда переходим к «розге» в 4 прута, потом кромка в стиле «дорожки» — и клетка готова.
Крышка сооружается из 20 лозин: два рядка выполняются скручиванием, потом основа делится и опять скручивается, через семь рядочков прутья делятся и плетение заканчивается
Последний этап – фиксация крышки и оборудование птичьего домика кормушкой, жердочкой и поилкой.
Понятно, что без определенных навыков клетка для канарейки из лозы не получится. Так что предварительно придется освоить навыки плетения и потренироваться на чем-нибудь более простым по форме.
Шкаф для кукол из фанеры
Это достаточно сложный мастер-класс. Желательно иметь опыт работы с деревом. Толстая фанера не подойдёт для миниатюрного шкафчика для Барби. Маленький ребенок может получить травму, играя с такой мебелью. Поэтому для сборки кукольного шкафа из фанеры, берите лист толщиной 3 или 4 мм.
Перед началом работы подготовьте схему с параметрами будущего шифоньера.
Измерьте длину кукольной одежды. Секция, в которой располагается штанга с вешалками, должна превышать размер кукольных нарядов как минимум на 3 см в высоту.
1 см оставьте под ножки. Сложив все цифры, вы получите оптимальную высоту.
Таким же способом рассчитайте и глубину шифоньера. Измерьте ширину самого объемного платья вашей куклы и прибавьте еще 1 см.
После того, как вы записали все габариты, перенесите чертеж с бумаги на лист фанеры. На боковых частях нужно еще прорисовать пазы, куда будут вставляться полочки.
Теперь можно приступить к вырезанию. Для этого подойдут строительные ножницы, лобзик или миниатюрная ножовка. Всё зависит от ширины и толщины фанеры.
Аккуратно прорезайте пазы для соединения полок со стенками шкафа. Если они не будут соответствовать друг другу, придется допиливать или переделывать детали.
После того, как все элементы вырезали, их нужно хорошо зашкурить, чтобы не осталось заусенцев
Отнеситесь к этой процедуре с особым вниманием, ведь ваш ребенок рискует получить занозу.
Когда подготовительные работы завершены, можно приступать к сборке. Соедините боковые панели с верхней и нижней плоскостью
Проклейте элементы для дополнительной фиксации.
После сборки каркаса, внутри установите и проклейте полки.
Подождите, когда клей подсохнет.
Двери повесьте на специальные петли, чтобы их можно было открывать.
Возьмите тонкую бумагу и скрутите ее в плотную трубочку.
Нарежьте трубочки на ровные небольшие фенечки. Это будут ноги, которые нужно посадить на клей.
Задекорируйте получившуюся заготовку: окрасьте в любой приятный вам цвет или используйте наклейки.
Сверху можно покрыть лаком. Посоветуйтесь с дочкой – у детей богатая фантазия.
Предложите малышу выбрать ручки для дверей. Также можно поставить в шкаф ящички, чтобы полки не выглядели пустыми.
Для того, чтобы сделать штангу для вешалок, скрутите в плотный рулон обычный лист А4 трубочкой. Внутри трубочку тщательно промажьте клеем и оставьте застывать. После того как трубочка высохла, обрежьте по размерам шкафа, оставляя небольшие выступы для склейки. Покрасьте ее в цвет наполнения шкафа.
Важная деталь
Чтобы было удобно убираться в клетке, не беспокоя канарейку, у конструкции должен быть выдвигающийся поддон. Убедитесь, что поддон выдвигается без лишних усилий. Его стенки должны плотно соприкасаться со стенками и дном клетки. Иначе под ним будут скапливаться шелуха от зерен и семян и другие остатки еды.
Желательно, чтобы поддон был изготовлен из нержавейки. Железо с оцинкованным покрытием может отравить канарейку, а фанерный поддон быстро придет в негодность из-за влаги и помета. Пластиковый поддон легче металлического и прост в уходе. Но его поверхность слишком гладкая. Если канарейка на ней поскользнется, то может травмироваться.
Покупая клетку с пластиковым поддоном, приготовьтесь к лишним хлопотам. Чтобы птица не скользила по дну поддона, на него придется насыпать песок. Перед этим его необходимо просеять, промыть и высушить в духовке. Чистый и сухой песок можно смешать с золой или сухими березовыми опилками.
Вместо песка можно купить гравий для птиц или бумагу для поддонов, которые продаются в зоомагазинах. Подойдет и чистая писчая бумага. От бумаги и мусора меньше, и вредители в ней не заведутся. Песок и гравий и меняют каждые три-четыре дня, писчую бумагу — каждые один-два дня, специальную бумагу для поддонов — ежедневно.
Нельзя класть в клетку стопку бумаги и постепенно убирать грязные листки. Иначе на бумаге заведется плесень или грибок. Запрещено застилать поддон газетами или листками журналов. Типографская краска может отравить канареек.
Чтобы песок или гравий, шелуха и помет не высыпались из клетки, у поддона должны быть высокие стенки. Хорошо, если в больших конструкциях будет несколько поддонов. Это облегчит уборку, особенно если поддоны сделаны из металла. Громоздкий сплошной поддон с песком тяжело вытаскивать и трудно убирать.

Комбинированная клетка: каркас
Для него нужны рамы, три штуки. Одна станет основой для крыши, две другие – крепежом для прутьев. Каждая из них делается из более тонких планок. На всех них и на основании на одинаковом расстоянии и точно друг под другом размечаются карандашом будущие отверстия для прутьев. Дистанция между ними – от полутора до двух сантиметров. Большее расстояние даст шанс вашему питомцу выбраться на свободу, при меньшем клетка для канарейки будет тесной и ограничит возможность наблюдения за любимцами. При разметке в нижнем контуре оставляется незагражденный проем для дверцы.
По разметке сверлятся дырки: в рамах сквозные, в основании – на половину толщины рейки. Несквозные отверстия должны быть и в раме над дверным проемом.
Материал клетки
Современные производители для изготовления птичьих клеток используют дерево, пластик и металл. Все эти материалы, по мнению специалистов, вполне пригодны для жизни птиц в неволе. Однако каждый из них характеризуется определенным набором положительных и отрицательных качеств.
Из дерева
Полностью деревянные сооружения выгодны, так как:
- при движениях (в частности прыжках) птица беззвучна;
- исключены риски травматизма;
- натуральный материал не токсичен и привлекателен внешне.
Недостатками такого жилища являются
- сырость;
- живущие в щелях кровососущие паразиты;
- невозможность дезинфекционной обработки;
- высокая стоимость.
Важно! Самки канареек легко уживаются в одной клетке, чего нельзя сказать о самцах. Поэтому несколько кенаров нельзя селить вместе.
Из дерева и металла
Подобные комбинации предпочтительны для канароводов-профессионалов. Изделия представляют собой деревянное дно и металлические решётки. Чаще всего прутья изготавливают из стали, дюрали либо алюминия.
Среди достоинств таких клеток отметим:
- простоту в очистке;
- ценовую доступность.
Недостатками принято считать такие показатели
- низкая износостойкость дна (сырость, потеря цвета и эстетичности);
- проблематичность дезинфекции дерева;
- токсичность некоторых сплавов (речь идет о медной и оцинкованной решетке).
Чаще всего для квартирного содержания выбирают попугаев, а именно это волнистые попугаи, жако, какаду, кореллы и неразлучники. Также узнайте какие особенности содержания таких попугаев, как: чехи, благородные попугаи, лори, какарик, барабандовый, монахи, амазонские, розелла и ара.
Наилучшим вариантом деревянно-металлических конструкций для канареек является нержавеющая сталь с хромированным или никелированным покрытием.
Пластик и металл
Тандем пластика и металла чаще всего выбирают новички. И это правильно.
Плюсами такой клетки являются:
- легкость в уходе, включая чистку, мытье, дезинфекцию;
- практичность;
- высокая износостойкость.
Среди минусов опытные канароводы называют
- плохую звукоизоляцию;
- слишком большой ценовой сегмент (можно найти как дешевое, так и очень дорогостоящее изделие).
Важно! Нельзя для покраски птичьего жилья использовать краски со свинцовыми белилами, алкидные лаки и «нитро». Эти вещества очень токсичны для пернатого
Красить клетку нужно только снаружи.
Из лозы
Плетеные изделия, по словам орнитологов, не совсем подходят для содержания птиц.
Многие их боготворят за экологичность и внешнюю привлекательность. Но специалисты утверждают, что такая конструкция является скорее декоративным элементом для фотосессии, а не для жизни птицы.

Недостатками лозовых клеток являются:
- превалирующие неправильные формы и куполообразные крыши;
- невозможность обработки паром, кипятком и химическими растворами от паразитирующих насекомых;
- недолговечность и плохая износостойкость.
Некоторые умельцы в целях экономии мастерят винтажные конструкции из газетной бумаги. Подобное плетение недопустимо для канареек. Во-первых, цилиндрическая либо шарообразная форма изделия. Во-вторых, печатные краски очень вредны даже для человека.
Ознакомьтесь с рекомендациями по выбору клички пернатому питомцу.
Игрушки для волнистых попугаев
Попугаи – очень умные и любопытные птицы, поэтому им необходимо организовывать досуг. В первую очередь, обязанность владельца заключается в постоянном общении с питомцем, но и стоит оставлять ему время для времяпрепровождения наедине с собой. В этом помогут игрушки, размещенные в клетке. Но будет большим заблуждением предположение о том, что жилище попугая должно быть перегружено огромным количеством вещей для развлечения. Стоит помнить, что каждая птица имеет свой характер и предпочтение. Какие-то игрушки просто не вызовут у питомца интереса, но при этом он может прийти в полный восторг от простого болта, подвешенного на веревочке.
Основными игрушками, которые чаще всего предпочитают волнистые попугаи, являются колокольчик, качелька и лесенка
В любом случае при выборе вещей для развлечения нужно обращать внимание на качество и прочность материалов. Нельзя допускать, чтобы питомец начал откалывать клювом части игрушки и поедать их. Это может привести к отравлению или нарушению работы пищеварительной системы
Опасность могут представлять и цепи, на которых обычно подвешивают игрушки, прежде всего, колокольчики. Иногда пальчики попугая застревают в них, что может привести к травме
Это может привести к отравлению или нарушению работы пищеварительной системы. Опасность могут представлять и цепи, на которых обычно подвешивают игрушки, прежде всего, колокольчики. Иногда пальчики попугая застревают в них, что может привести к травме.
В качестве игрушек могут использоваться специальные бусы, скорлупа кокоса, кольца. Есть игрушки, которые предназначены для клетки, они помогают не только организовать досуг, но и выполняют функцию перекладины, например, кольца, качели. Колокольчики несут развлекательную функцию. Также могут быть игрушки для фитнеса, головоломки, интерактивные. Их нужно выбирать по мере необходимости, ориентируясь на предпочтения конкретной особи.
Не стоит забывать, что попугаи не любят новшества и перемены. Поэтому им может потребоваться время на привыкание к новому предмету в клетке, его изучению. Или же вещь вовсе не вызовет интерес.
Можно изготовить некоторые игрушки самостоятельно, главное – позаботиться о прочности материалов и безопасности их использования.




























